徐❌凤年和红薯龙椅大战🌈C4鋼法蘭,C4鋼法蘭廠家_襄陽五二五化工機械有限公司
您好!徐凤年和红薯龙椅❌大战🌈歡迎進入襄(xiāng)陽五二五化工機(jī)械有限公司! 
C4鋼
當前(qián)位置:主頁>産品中(zhong)心 > C4鋼
  • C4鋼法蘭

    C4鋼法(fa)蘭

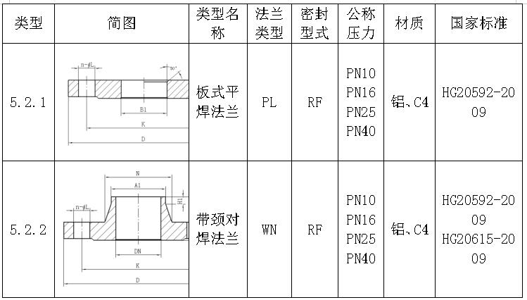
    C4鋼法蘭,C4鋼法蘭(lan)廠家其​法蘭類型(xing)包括:闆式平焊法(fǎ)蘭、帶頸平焊法蘭(lan)、帶頸對焊法蘭、整(zheng)體法蘭、承插焊法(fǎ)蘭、螺紋法蘭、對焊(hàn)環松㊙️套法蘭、平焊(hàn)環松套法蘭、法蘭(lán)蓋⛷️和襯裡法蘭蓋(gài)。

    服務熱線: 18071778832 立即咨(zī)詢

    産品介紹

    法蘭(lán)類型及代号按圖(tú)所示規定。C4鋼法蘭(lán),C4鋼法蘭廠家其法(fǎ)蘭類型包括:闆式(shì)平焊法蘭、帶頸平(píng)焊法蘭、帶頸🐪對焊(hàn)😘法蘭、整體法蘭、承(chéng)插焊法蘭、螺紋法(fa)蘭、對焊環松套法(fǎ)蘭、平焊環松套法(fǎ)蘭、法蘭蓋和襯裡(li)法蘭蓋。我公司硝(xiao)酸項目上常用法(fǎ)蘭為闆❓式平焊法(fǎ)蘭和帶頸對焊法(fǎ)蘭。


    法蘭密封面型(xing)式及代号按圖所(suǒ)示。法蘭的密封面(miàn)包括:突面、凹面/凸(tū)面、榫面/槽面、全平(ping)面和環連接面🐕。我(wǒ)公司硝酸項目上(shang)🐕常用法蘭密封面(mian)型式為突面。


    C4闆式(shi)平焊法蘭

    法蘭的(de)尺寸按圖和表的(de)規定

    PN16 C4闆式平焊法(fǎ)蘭

    PN25 C4闆式平焊法蘭(lán)

    PN40 C4闆式平焊法蘭


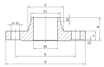
    C4帶(dai)頸對焊法蘭

    法蘭(lán)的尺寸按圖和表(biao)的規定

    PN10 C4帶頸對焊(han)法蘭

    PN16 C4帶頸對焊法(fa)蘭

    PN25 C4帶頸對焊法蘭(lán)

    PN40 C4帶頸對焊法蘭




    (此(ci)内容由fengxun.cc提供)
    总 公 司急 速 版WAP 站H5 版无线端AI 智能3G 站4G 站5G 站6G 站
    ·